Detailed Hardware Design#

The following sections contain schematic references for PocketBeagle. Full schematics in both PDF and Eagle are available on the ‘PocketBeagle Wiki’

OSD3358-SM SiP Design#

Schematics for the OSD3358-SM SiP are divided into several diagrams.

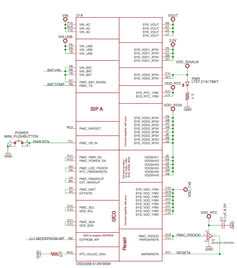
SiP A OSD3358 SiP System and Power Signals#

SiP A OSD3358 SiP System and Power Signals

Fig. 296 SiP A OSD3358 SiP System and Power Signals#

SiP B OSD3358 SiP JTAG, USB & Analog Signals#

SiP B OSD3358 SiP JTAG, USB & Analog Signals

Fig. 297 SiP B OSD3358 SiP JTAG, USB & Analog Signals#

SiP C OSD3358 SiP Peripheral Signals#

SiP C OSD3358 SiP Peripheral Signals

Fig. 298 SiP C OSD3358 SiP Peripheral Signals#

SiP D OSD3358 SiP System Boot Configuration#

SiP D OSD3358 SiP System Boot Configuration

Fig. 299 SiP D OSD3358 SiP System Boot Configuration#

SiP E OSD3358 SiP Power Signals#

SiP E OSD3358 SiP Power Signals

Fig. 300 SiP E OSD3358 SiP Power Signals#

SiP F OSD3358 SiP Power Signals#

SiP F OSD3358 SiP Power Signals

MicroSD Connection#

The Micro Secure Digital (microSD) connector design is highlighted in Figure 35.

microSD Connections

Fig. 301 microSD Connections#

USB Connector#

The USB connector design is highlighted in Figure 36.

Note that there is an ID pin for dual-role (host/client) functionality. The hardware fully supports it, but care should be taken to ensure the kernel in use is either statically or dynamically configured to recognize and utilize the proper mode.

USB Connection

Fig. 302 USB Connection#

Power Button Design#

The power button design is highlighted in Figure 37.

Power Button

Fig. 303 Power Button#

User LEDs#

There are four user programmable LEDs on PocketBeagle. The design is highlighted in Figure 38. Table 6 Provides the LED control signals and pins. A logic level of “1” will cause the LEDs to turn on.

User LEDs

Fig. 304 User LEDs#

Table 27 User LED Control Signals/Pins#

LED

Signal Name

Proc Ball

SiP Ball

USR0

GPIO1_21

V15

P13

USR1

GPIO1_22

U15

T14

USR2

GPIO1_23

T15

R14

USR3

GPIO1_24

V16

P14

JTAG Pads#

There are 7 pads on the bottom of PocketBeagle to connect JTAG for debugging. The design is highlighted in Figure 39. More information regarding JTAG debugging can be found at ‘www.ti.com/jtag’

JTAG Pads Design

Fig. 305 JTAG Pads Design#

PRU-ICSS#

The Programmable Real-Time Unit Subsystem and Industrial Communication SubSystem (PRU-ICSS) module is located inside the AM3358 processor, which is inside the Octavo Systems SiP. Commonly referred to as just the “PRU”, this little subsystem will unleash a lot of performance for you to use in your application. Consisting of dual 32-bit RISC cores (Programmable Real-Time Units, or PRUs), data and instruction memories, internal peripheral modules, and an interrupt controller (INTC). The programmable nature of the PRU-ICSS, along with their access to pins, events and all SoC resources, provides flexibility in implementing fast real-time responses, specialized data handling operations, custom peripheral interfaces, and in offloading tasks from the other processor cores of the system-on-chip (SoC). Access to these pins is provided by PocketBeagle’s expansion headers and is multiplexed with other functions on the board. Access is not provided to all of the available pins.

Some getting started information can be found on https://beagleboard.org/pru.

Additional documentation is located on the Texas Instruments website at processors.wiki.ti.com/index.php/PRU-ICSS and also located at http://github.com/beagleboard/am335x_pru_package.

Example projects using the PRU-ICSS can be found in PRU Cookbook.

PRU-ICSS Features#

The features of the PRU-ICSS include:

Two independent programmable real-time (PRU) cores:

  • 32-Bit Load/Store RISC architecture

  • 8K Byte instruction RAM (2K instructions) per core

  • 8K Bytes data RAM per core

  • 12K Bytes shared RAM

  • Operating frequency of 200 MHz

  • PRU operation is little endian similar to ARM processor

  • All memories within PRU-ICSS support parity

  • Includes Interrupt Controller for system event handling

  • Fast I/O interface

– 16 input pins and 16 output pins per PRU core. (Not all of these are accessible on the PocketBeagle. Please check the Pin Table below for PRU-ICSS features available through the P1 and P2 headers.)

PRU-ICSS Block Diagram#

Figure below is a high level block diagram of the PRU-ICSS.

../../_images/40fig-PB-PRU-block.png

PRU-ICSS Pin Access#

Both PRU 0 and PRU1 are accessible from the expansion headers. Listed below are the ports that can be accessed on each PRU.

Table 6. below shows which PRU-ICSS signals can be accessed on PocketBeagle and on which connector and pins on which they are accessible. Some signals are accessible on the same pins.

Use scroll bar at bottom of chart to see additional features in columns to the right. When printing this document, you will need to print this chart separately.

Table 28 PRU0 and PRU1 Access#

Header.Pin

Silkscreen

Processor Ball

SiP Ball

Mode3

Mode4

Mode5

Mode6

Note

P1.02

A6/87

R5

F2

pr1_pru1_pru_r30_9 (Output)

pr1_pru1_pru_r31_9 (Input)

P1.04

89

R6

E1

pr1_pru1_pru_r30_11 (Output)

pr1_pru1_pru_r31_11 (Input)

P1.06

SPI0_CS

A16

A14

pr1_uart0_txd (Output)

UART Transmit Data

P1.08

SPI0_CLK

A17

A13

pr1_uart0_cts_n (Input)

UART Clear to Send

P1.10

SPI0_MISO

B17

B13

pr1_uart0_rts_n (Output)

UART Request to Send

P1.12

SPI0_MOSI

B16

B14

pr1_uart0_rxd (Input)

UART Receive Data

P1.20

20

D14

B4

pr1_pru0_pru_r31_16 (Input)

P1.26

I2C2_SDA

D18

B10

pr1_uart0_cts_n (Input)

UART Clear to Send

P1.28

I2C2_SCL

D17

A10

pr1_uart0_rts_n (Output)

UART Request to Send

P1.29

PRU0_7

A14

C4

pr1_pru0_pru_r30_7 (Output)

pr1_pru0_pru_r31_7 (Input)

P1.30

U0_TX

E16

B12

pr1_pru1_pru_r30_15 (Output)

pr1_pru1_pru_r31_15 (Input)

P1.31

PRU0_4

B12

A3

pr1_pru0_pru_r30_4 (Output)

pr1_pru0_pru_r31_4 (Input)

P1.32

U0_RX

E15

A12

pr1_pru1_pru_r30_14 (Output)

pr1_pru1_pru_r31_14 (Input)

P1.33

PRU0_1

B13

A2

pr1_pru0_pru_r30_1 (Output)

pr1_pru0_pru_r31_1 (Input)

P1.35

P1.10

V5

F1

pr1_pru1_pru_r30_10 (Output)

pr1_pru1_pru_r31_10 (Input)

P1.36

PWM0A

A13

A1

pr1_pru0_pru_r30_0 (Output)

pr1_pru0_pru_r31_0 (Input)

P2.09

I2C1_SCL

D15

B11

pr1_uart0_txd (Output)

pr1_pru0_pru_r31_16 (Input)

UART Transmit Data

P2.11

I2C1_SDA

D16

A11

pr1_uart0_rxd (Input)

pr1_pru1_pru_r31_16 (Input)

UART Receive Data

P2.17

65

V12

T7

pr1_mdio_mdclk

MDIO Clk

P2.18

47

U13

P7

pr1_ecap0_ecap_capin_apwm_o

pr1_pru0_pru_r31_15 (Input)

Enhanced capture input or Auxiliary PWM out

P2.20

64

T13

R7

pr1_mdio_data

MDIO Data

P2.22

46

V13

T6

pr1_pru0_pru_r31_14 (Input)

P2.24

48

T12

P6

pr1_pru0_pru_r30_14 (Output)

P2.28

PRU0_6

D13

C3

pr1_pru0_pru_r30_6 Output)

pr1_pru0_pru_r31_6 (Input)

P2.29

SPI1_CLK

C18

C5

pr1_ecap0_ecap_capin_apwm_o

Enhanced capture input or Auxiliary PWM out

P2.30

PRU0_3

C12

B1

pr1_pru0_pru_r30_3 (Output)

pr1_pru0_pru_r31_3 (Input)

P2.31

SPI1_CS

A15

A4

pr1_pru1_pru_r31_16 (Input)

P2.32

PRU0_2

D12

B2

pr1_pru0_pru_r30_2 (Output)

pr1_pru0_pru_r31_2 (Input)

P2.33

45

R12

R6

pr1_pru0_pru_r30_15 (Output)

P2.34

PRU0_5

C13

B3

pr1_pru0_pru_r30_5 (Output)

pr1_pru0_pru_r31_5 (Input)

P2.35

A5/86

U5

F3

pr1_pru1_pru_r30_8 (Output)

pr1_pru1_pru_r31_8 (Input)